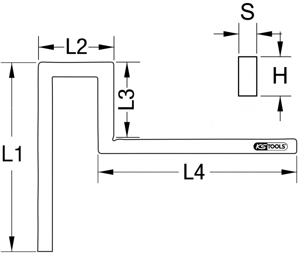
Уголок для измерений фланца, 600 мм
- Идеально подходит для работы в области прокладки трубопроводов
- для выправки фланцев
- Сталь с никелированной поверхностью
- вес, г: 2000 г
- высота Н: 30 mm
- длина детали L2, мм: 70 мм
- длина детали L4, мм: 600 мм
- длина части L3, мм: 125 мм




