Spole ar elektrokabeli 2.5mm² x 20m
Ātruma kontroles ierīce nodrošina automātisku kabeļa pārtīšanu nemainīgā ātrumā un drošā veidā, nepārtraukti kontrolējot pārtīšanas ātrumu. Kabeļa iztīšanu var apstādināt jebkurā brīdī, kad vien vēlaties.
Izturīga konstrukcija, kas izgatavota no augstas kvalitātes triecienizturīga polipropilēna, kas padara spoli vieglāku un kompaktāku.
Spole paredzēta lietošanai tikai iekštelpās.
Parametri
| Dzīslu skaits | 3 |
| Elektrobarošana | 230/1 V/fāze |
| Elektrovada šķērsgriezums | 2.5 mm² |
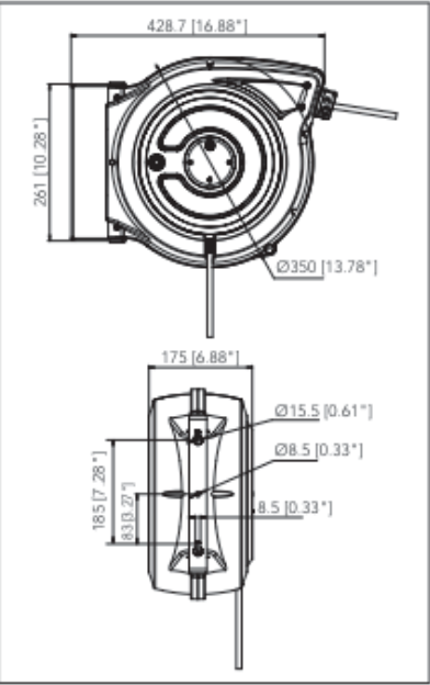
| Iepakojuma izmēri | 38 x 20 x 40 cm |
| Maksimālā jauda | 3200W |
| Strāvas kabeļa garums | 20 cm |
| Svars | 9.2 kg |




